Полезные статьи
-
Вкладыши двигателя JCB
-
Двигатель Perkins 1104C-44, 1104C-44T
-
Поршень двигателя
-
Гипоидная пара
-
Производство масел для JCB на территории России
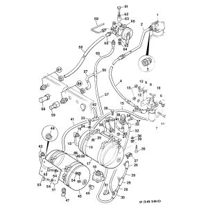
Болт JCB 1315/0203Z
Характеристики товара
Производитель:
Европа
Модель:
JCB
Размер:
M6x16
Цвет:
Стальной
Материал:
Металл
Категории запчастей:
Трансмиссия
Склад:
Реутова
Доставка:
до Транспортной компании
Наличие:
5
Вес, кг:
0.1
Каталожный номер:
1315/0203Z, 1315/0203D, 2021/06016, 1315-0203Z, 1315-0203D, 2021-06016
150
₽



