Полезные статьи
-
Увеличение срока службы ДВС
-
Управление задней стрелой
-
Вкладыши двигателя JCB
-
Двигатель Perkins 1104C-44, 1104C-44T
-
Поршень двигателя
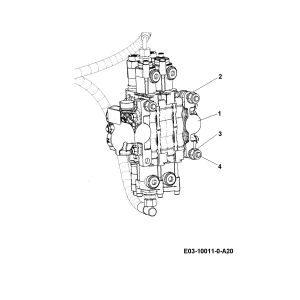
Гидрораспределитель JCB 332/F6215
Характеристики товара
Гидрораспределитель передний
JCB
332/F6215, 332/E4120

Гидрораспределитель — это важный узел гидравлической системы, который управляет потоками рабочей жидкости, распределяя её между различными исполнительными механизмами, такими как цилиндры, гидромоторы и прочие компоненты.
Он используется в экскаваторах, погрузчиках и другой спецтехнике JCB для обеспечения точной и надёжной работы.
Основные функции гидрораспределителя JCB:
1. Перераспределение потоков жидкости:
• Направляет рабочую жидкость к нужному гидравлическому элементу.
2. Регулирование давления:
• Защищает систему от перегрузки, ограничивая давление с помощью встроенных клапанов.
3. Контроль работы нескольких механизмов:
• Обеспечивает согласованную работу гидравлических цилиндров, стрел, ковшей и других узлов.
Основные компоненты гидрораспределителя:
1. Золотники:
• Управляют направлением потока жидкости (вперёд, назад или в нейтральное положение).
2. Клапаны давления:
• Обеспечивают защиту системы от избыточного давления.
3. Пружины возврата:
• Возвращают золотник в исходное положение после прекращения подачи управляющего сигнала.
4. Корпус гидрораспределителя:
• Изготавливается из прочных материалов для работы в условиях высокого давления.
5. Соленоиды (в некоторых моделях):
• Управляют золотниками электрически.
Принцип работы:
• Рабочая жидкость подаётся насосом к гидрораспределителю.
• В зависимости от положения золотника жидкость направляется в определённый контур, активируя соответствующий механизм.
• В нейтральном положении золотника жидкость возвращается в бак или циркулирует через систему без нагрузки.
Типичные неисправности и их причины:
1. Залипание золотника:
• Причина: загрязнение системы или износ деталей.
• Решение: чистка или замена золотника.
2. Протечки масла:
• Причина: износ уплотнителей.
• Решение: замена уплотнительных элементов.
3. Падение давления:
• Причина: неисправность клапанов давления или утечка.
• Решение: диагностика клапанов, проверка соединений.
4. Неправильная работа механизмов:
• Причина: проблемы с соленоидами или механическим управлением.
• Решение: проверка электропроводки и соленоидов.
Рекомендации по обслуживанию:
1. Регулярно проверяйте гидравлическую систему на наличие утечек и загрязнений.
2. Используйте только оригинальные масла и фильтры, рекомендованные JCB.
3. При появлении неисправностей проводите диагностику с помощью специализированного оборудования.
4. Своевременно заменяйте изношенные компоненты (золотники, уплотнители, клапаны).
======


