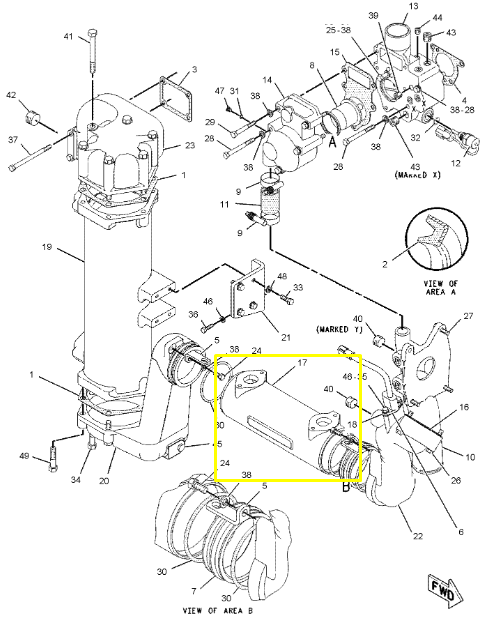
Охладитель масла CAT 133-0125, 1330125, 133-0124, 1330124, 7C-3039, 7C3039

Характеристики товара

Производитель:
USA
Модель:
CAT
Цвет:
Жёлтый
Материал:
Металл
Категории запчастей:
Двигатель
Склад:
Реутов
Группа запчастей:
Двигатель
Доставка:
СДЕК, Деловые линии, и д.р
Наличие:
2
Вес, кг:
3
Каталожный номер:
133-0125, 1330125, 133-0124, 1330124, 7C-3039, 7C3039
30 000
+

Охладитель масла
CAT

 3406E, 385B, 385BL, 826G, 836G, 980G, 988H, D5H, D8R, D8RLRC, D8T
133-0125, 1330125, 133-0124, 1330124, 7C-3039, 7C3039

Охладитель масла CAT 133-0125, 1330125, 133-0124, 1330124, 7C-3039, 7C3039

Радиатор масляный или теплообменник является основным элементам системы ДВС или КПП, который отводит высокие температуры с помощью жидкости находящейся в системе. 
Радиаторы бывают разных форм и видов. 
С состоят в основном из разных сплавов метала для хорошей теплоотдачи. 

 

0.27 с